Toote sissejuhatus
GB Heavy Rail on raudtee raske raudteematerjal, mis vastab riiklikele standarditele. See on peamiselt valmistatud madalate tollede terastest nagu U71MN ja U75V. U71Mn Steel tugevdab maatriksit mangaanielementidega, et selle tõmbetugevus ulatuks 880-950 mpa. Sellel on hea kulu jõudlus ja seda kasutatakse laialdaselt tavalistes raudtee pagasiruumides; U75V teras ei paranda mitte ainult Vanadiumielementide mikroloeneva toime tõttu tugevust, vaid parandab ka terase keevitus jõudlust ja antiallidevastast jõudlust. See sobib kiirraudteedele või raskeveokitele, kus on kõrgemad radade kvaliteedi nõuded.
Tootmise ajal tuleb terasest toorikott moodustada mitme kuuma veeremise teel ja raudteepea võtab veebipõhise kustutamise protsessi, et moodustada karastatud kiht, et suurendada kulumiskindlust; Raudteevöö ja raudteepõhja on konstrueeritud optimeeritud konstruktsioonidega, et tagada ühtlane pingejaotus.

U71MN ja U75V -st valmistatud 38 kg rasked rööpad on mõlemad raudteetüübid, mis vastavad riiklikele standarditele. Teoreetiline kaal meetri kohta on umbes 38 kilogrammi, mis on kerge raske rööp.
U71MN raskete raudtee jõudluse eelised:
Tõmbetugevus, mis on suurem või võrdne 880MPa, kõvadus 280-320 hb, tasakaalustatud põhjalikud mehaanilised omadused, mis sobivad keskmise koormuse ja väikeste mõju stsenaariumide jaoks.
Hea keevitatavus, seda saab ühendada välgukeevituse ja gaasirõhukeevitusega ning mugava ehitusega.
| Materiaalne hinne | Tõmbetugevus | Põhitaotlus | ||||
| U71Mn | Suurem kui 880MPa või võrdne | Tavaline raudtee, metroo, sekundaarsed jooned | ||||
| U75V | Suurem kui 980MPa | Kiirraudtee (näiteks Peking-Shanghai, Peking-Harbin) | ||||
U75V raskete raudtee jõudluse eelised:
Tõmbetugevus, mis on suurem kui 980MPa (kõrgem kui U71Mn), kõvadus 300-350 hb, parem kulumiskindlus, mis sobib suure kulumiskeskkonna jaoks.
Vanaadiumi element suurendab võimet pragude levikule vastu seista, parandab oluliselt väsimuskindlust ja sellel on pikem kasutusaja.
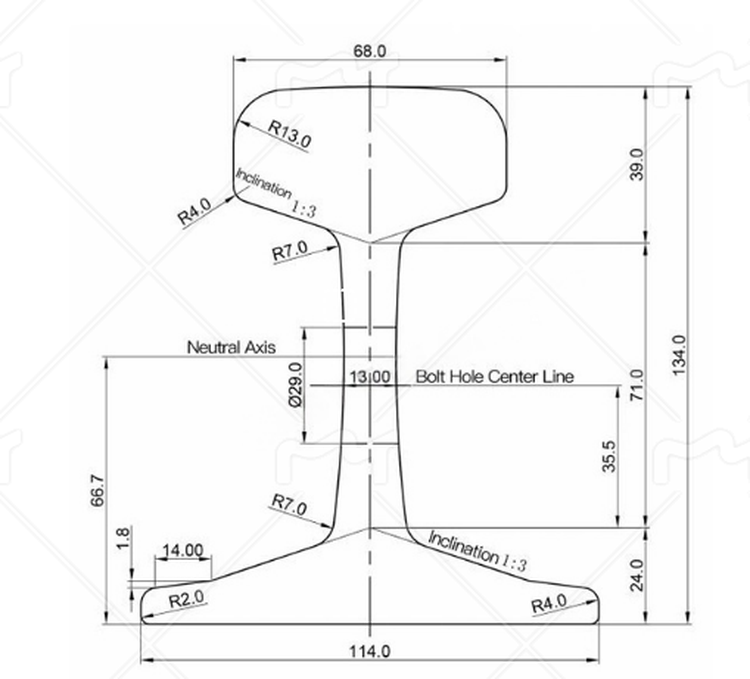
Toote spetsifikatsioonid

Tooterakendus
Eelistatud on U71MN P38 raske raudtee: piiratud eelarve, keskmise koormuse, sagedase keevitamise või suure sitkuse nõudega stsenaariumid (näiteks ajutised kaubaveoliinid ja rajad märja metsapiirkondades).
Eelistatud on U75V P38 raske raudtee: tugeva kulumise, suure liikluse sageduse ja tundlike hoolduskuludega stsenaariumid (näiteks kõrgsageduslikud transpordiliinid kaevandusaladel ja kõrge kurvitud kõverdatud radadel).

GNEE Rail on GB Standard Heavy Rail Products professionaalne kaubanduspartner. Meil on täielik impordi- ja ekspordi kvalifikatsioon ning rikkalik rahvusvaheline kaubanduskogemus ning meie tooteid eksporditakse paljudesse riikidesse ja piirkondadesse kogu maailmas. Oleme loonud range kvaliteedikontrollisüsteemi, et rakendada terve protsessi kvaliteedi jälgimist alates tooraine hankest kuni valmistoodete kohaletoimetamiseni.
Oleme varustatud professionaalse ärimeeskonnaga, kes on tuttav erinevate riikide kaubanduspoliitika ja tootestandarditega ning suudavad pakkuda klientidele paindlikke kaubanduslahendusi.




Kuum tags: U71MN U75V 38KG raske raudtee, Hiina U71MN U75V 38kg raskete raudteetootjad, tarnijad, tehas






